Members Login
Username 
 
Password 
    Remember Me  
Post Info TOPIC: pretty crazy fab project


see above

Status: Offline
Posts: 2125
Date:
pretty crazy fab project


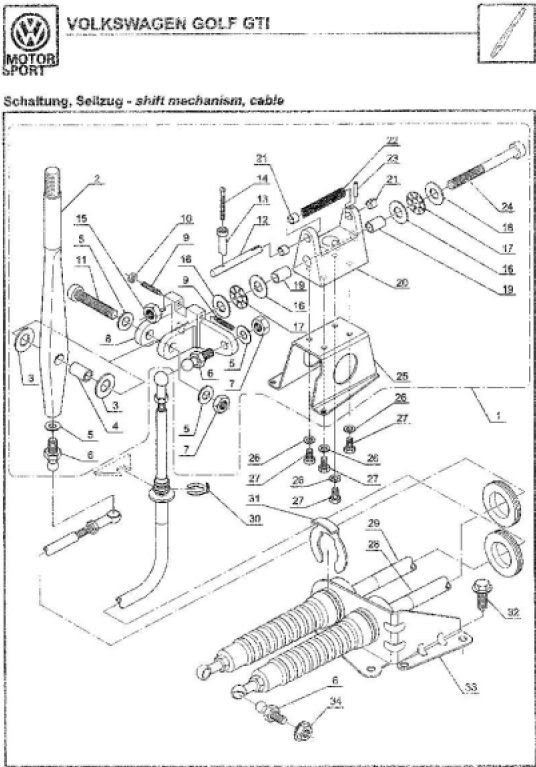
you guys think we can do it?? it would be amazing












__________________


POOP Bum

Status: Offline
Posts: 1802
Date:

badass. we could do it if we had a machine shop.



__________________
EMO4life


see above

Status: Offline
Posts: 2125
Date:

haha....both our schools have one...or many. i gotta see if i can get into one

__________________


howling machine of destruction

Status: Offline
Posts: 643
Date:

i guess i'm an idiot but aren't you re-creating the wheel? you have a shifter and your going to make another one? i really feel like i'm missing something, please explain lol

__________________
"Racing makes heroin addiction look like a vague desire for something salty..."


POOP Bum

Status: Offline
Posts: 1802
Date:

I believe it puts it into a better position. if i'm not mistaken it puts the shifter closer to the steering wheel. Unless i'm not seeing the whole thing and its a sequential shifter or something.

lol now i'm kind of confused on what it is.



__________________
EMO4life


VP

Status: Offline
Posts: 2304
Date:

quote:

Originally posted by: majorposer

"i guess i'm an idiot but aren't you re-creating the wheel? you have a shifter and your going to make another one? i really feel like i'm missing something, please explain lol"

yea i dont really see why it would be better. I could see how it puts it into a better location but why does it shift better?

__________________


howling machine of destruction

Status: Offline
Posts: 643
Date:

it looks cool, but so does the stock one. and it may have a shorter throw. but a tt shift lever and shortening the stock one is pretty good and doesn't stress the transmission. a crazy short shifter doesn't make or brake a win in a race.

__________________
"Racing makes heroin addiction look like a vague desire for something salty..."


see above

Status: Offline
Posts: 2125
Date:

really i think it just puts the shifter in a good location to keep your hands on the wheel. you couldnt do that with the stock shifter while keeping a good throw. plus, due to the construction, its got a nice crisp throw and its sturdy and reliable too for race applications

__________________
Page 1 of 1  sorted by
 
Quick Reply

Please log in to post quick replies.

Tweet this page Post to Digg Post to Del.icio.us


Create your own FREE Forum
Report Abuse
Powered by ActiveBoard